JXLD、JBLD型号机架(新标)
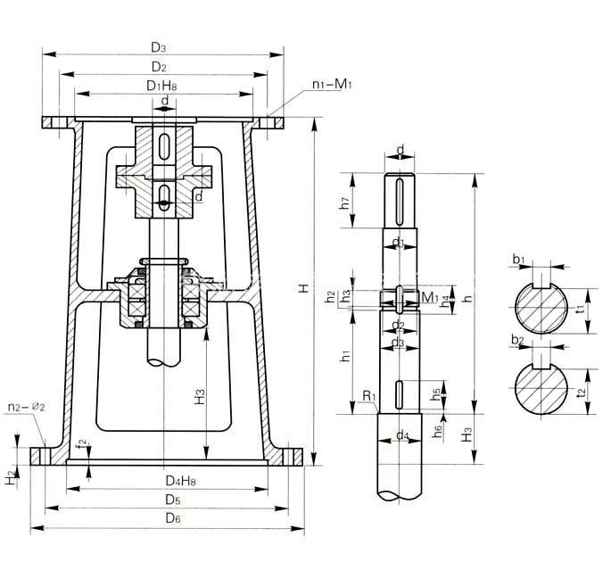
本机架系列的JXLD型适用与XLD型摆线针傫行星减速机联接,JBLD型适用于与BLD型摆线减速机相连接。为使搅拌轴与轴承室装配。维修方便,本公司对轴承室结构进行改进设计。同时对BLD2、BLD3、BLD4与相配的机架JBLD2、JBLD3、JBLD4的轴承室加大。使之与较粗的搅拌轴相一致。
a、Ⅰ型为普通型,Ⅱ型为增高型。
b、本系列机架以选好与之配套的联轴器型号及规格,请一并注明。
型号标定方法及示例
JXLD型、JBLD型单支点机架主要尺寸
|
JXLD型 |
d |
JBLD型 |
d |
d1 |
M1 |
d2 |
d3 |
d4 |
R1 |
t1 |
b1 |
t2 |
b2 |
h1 |
h2 |
h3 |
h4 |
h5 |
h6 |
h7 |
h |
|
JXLD1 |
18 |
|
|
22 |
M25×1.5 |
22 |
25 |
30 |
1 |
21 |
5 |
22 |
5 |
103 |
3 |
13 |
22 |
30 |
3 |
30 |
170 |
|
JBLD2 |
25 |
|
|
32 |
M35×1.5 |
32.8 |
35 |
40 |
1 |
31 |
6 |
31.5 |
6 |
103 |
3 |
13 |
22 |
30 |
3 |
53 |
185 |
|
JXLD3 |
35 |
JBLD1 |
40 |
42 |
M45×1.5 |
42.8 |
45 |
50 |
1 |
41 |
6 |
41.5 |
6 |
113 |
3 |
15 |
24 |
40 |
3 |
53 |
281 |
|
JXLD4 |
45 |
|
|
47 |
M50×1.5 |
47.8 |
45 |
50 |
1 |
41 |
6 |
41.5 |
8 |
113 |
3 |
15 |
28 |
40 |
3 |
69 |
298 |
|
|
|
JBLD2 |
50 |
57 |
M60×2 |
57 |
60 |
65 |
1 |
56 |
8 |
56 |
8 |
118 |
4 |
15 |
28 |
40 |
3 |
69 |
306 |
|
JXLD5 |
55 |
|
|
57 |
M60×2 |
57 |
30 |
65 |
1 |
56 |
8 |
56 |
8 |
118 |
4 |
15 |
28 |
40 |
3 |
80 |
365 |
|
|
|
JBLD3 |
65 |
71 |
M75×2 |
72 |
75 |
80 |
1 |
69 |
10 |
70 |
10 |
143 |
4 |
18 |
32 |
50 |
3 |
93 |
380 |
|
JXLD6 |
65 |
|
|
71 |
M75×2 |
72 |
75 |
80 |
1 |
69 |
10 |
70 |
10 |
143 |
4 |
18 |
32 |
50 |
3 |
93 |
369 |
|
|
|
JBLD4 |
80 |
81 |
M85×2 |
82 |
85 |
90 |
1.5 |
79 |
10 |
80 |
10 |
163 |
4 |
18 |
32 |
60 |
3 |
93 |
388 |
|
JXLD7 |
80 |
|
|
81 |
M85×2 |
82 |
85 |
90 |
1.5 |
79 |
10 |
80 |
10 |
163 |
4 |
18 |
32 |
60 |
3 |
93 |
425 |
|
JXLD8 |
90 |
JBLD5 |
90 |
91 |
M95×2 |
92 |
95 |
110 |
1.5 |
89 |
12 |
90 |
12 |
168 |
4 |
20 |
36 |
60 |
3 |
125 |
457 |
|
JXLD9 |
100 |
JBLD6 |
100 |
112 |
M115×2 |
112 |
115 |
125 |
2 |
109 |
14 |
109.5 |
14 |
178 |
4 |
24 |
42 |
60 |
3 |
129 |
425/458 |
|
JXLD10 |
110 |
JBLD7 |
110 |
112 |
M115×2 |
112 |
115 |
125 |
2 |
109 |
14 |
109.5 |
14 |
178 |
4 |
24 |
42 |
60 |
3 |
153 |
374 |
|
JXLD11 |
130 |
JBLD8 |
130 |
135 |
M140×2 |
137 |
140 |
150 |
2 |
132 |
14 |
134.5 |
14 |
208 |
4 |
28 |
46 |
70 |
3 |
196 |
440 |
|
JXLD12 |
180 |
|
180 |
185 |
M190×3 |
185 |
190 |
220 |
3 |
179 |
16 |
184 |
16 |
235 |
4 |
35 |
55 |
100 |
4 |
284 |
617 |
|
机架 |
外形及联接尺寸 |
Ⅰ型 |
Ⅱ型 |
|
JXLD |
JBLD |
D1 |
D2 |
D3 |
n1-M1 |
D4 |
D5 |
D6 |
n2-φ2 |
H2 |
f2 |
H |
H3 |
重量 |
H |
H3 |
重量 |
|
JXLD1 |
|
100 |
134 |
160 |
4-M8 |
240 |
285 |
315 |
6-φ14 |
14 |
6 |
370 |
150 |
12 |
460 |
240 |
14 |
|
JXLD2 |
|
130 |
160 |
190 |
6-M8 |
260 |
320 |
360 |
6-φ18 |
18 |
6 |
420 |
165 |
26 |
500 |
245 |
30 |
|
JXLD3 |
JBLD1 |
170 |
200 |
230 |
6-M10 |
300 |
360 |
410 |
6-φ18 |
18 |
6 |
520 |
158 |
55 |
610 |
248 |
60 |
|
JXLD4 |
|
200 |
230 |
260 |
6-M10 |
335 |
400 |
450 |
6-φ18 |
18 |
8 |
570 |
175 |
80 |
670 |
275 |
86 |
|
|
JBLD2 |
167 |
84 |
267 |
90 |
|
JXLD5 |
|
270 |
310 |
340 |
6-M10 |
385 |
450 |
500 |
8-φ18 |
24 |
8 |
650 |
182 |
110 |
750 |
282 |
120 |
|
|
JBLD3 |
167 |
115 |
267 |
125 |
|
JXLD6 |
|
316 |
360 |
400 |
8-M12 |
410 |
480 |
530 |
12-φ18 |
24 |
8 |
660 |
179 |
130 |
760 |
289 |
145 |
|
|
JBLD4 |
161 |
138 |
262 |
158 |
|
JXLD7 |
|
345 |
390 |
430 |
8-M16 |
430 |
510 |
565 |
12-φ22 |
24 |
8 |
740 |
191 |
160 |
860 |
311 |
178 |
|
JXLD8 |
JBLD5 |
400 |
450 |
490 |
12-M16 |
430 |
510 |
565 |
12-φ22 |
28 |
8 |
800 |
199 |
208 |
920 |
319 |
230 |
|
JXLD9 |
JBLD6 |
455 |
520 |
580 |
12-M20 |
455 |
520 |
580 |
12-φ22 |
30 |
10 |
810 |
203 |
235 |
920 |
313 |
262 |
|
JXLD10 |
JBLD7 |
520 |
590 |
650 |
12-M20 |
520 |
590 |
650 |
12-φ22 |
30 |
12 |
830 |
252 |
300 |
950 |
372 |
345 |
|
JXLD11 |
JBLD8 |
680 |
800 |
880 |
12-M30 |
680 |
800 |
880 |
12-φ37 |
45 |
12 |
860 |
200 |
480 |
980 |
320 |
538 |
|
JXLD12 |
|
900 |
1020 |
1160 |
12-M36 |
900 |
1020 |
1160 |
12-φ39 |
50 |
12 |
1200 |
201 |
|
1350 |
350 |
|
注:图示所注“h”仅与本样本XLD、BLD系列减速机相配,如选用其他型号或其他厂家减速机,“h”需另行计算。